- Get link
- X
- Other Apps

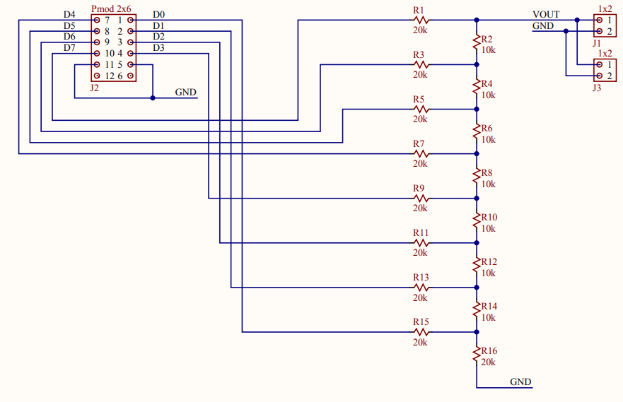
Bi Technologies R2r Resistor Ladder Networks

Generating Sine Waves With Dds Jeelabs

R 2r Network As Dac For An Avr


Utone

Electro Music Com View Topic Sine Wave From Cmos

16 Bit Parallel Dac Has 1lsb Linearity Ultralow Glitch And

Digital To Analog Converter With Sine Wave Output

Make It Proto Dac Shield For Arduino Make

Generating Audio With An Arduino And A Resistor Ladder Dac

Making Waves Nuts Volts Magazine

Noise Generator

Generating Audio With An Arduino And A Resistor Ladder Dac

Review Fg 100 Dds Function Generator Hackaday

Arduino Audio Output Via R 2r Dac Biasing Output For Piezo

Generating Audio With An Arduino And A Resistor Ladder Dac
- Get link
- X
- Other Apps
Comments
Post a Comment